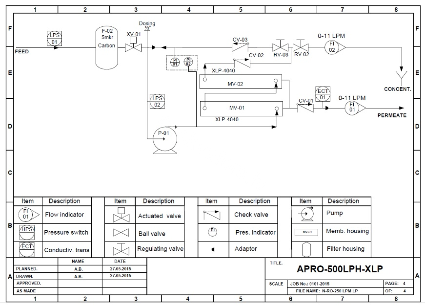
AQUAPHOR APRO M 500 Black Edition / Compact commercial tipe of low-pressure reverse osmosis system
Compact commercial tipe of reverse osmosis system CONSISTENTLY PRODUCTION OF HIGH QUALITY WATER WITH LOW ENERGY CONSUMPTION.
Low pressure system.
Productivity 500 l / hour.
Description ...
Low pressure system.
Productivity 500 l / hour.
Description ...
2588.00 €
Add to compare
Compact commercial tipe of reverse Osmosis product line CONSISTENTLY PRODUCTION OF HIGH QUALITY WATER WITH LOW ENERGY CONSUMPTION.
-Equipped with the highest quality components
-Robust construction and easy maintenance
-Modern design and quiet operation
-Built and assembled in EU
BENEFITS
• Improved water quality
• Extended membrane life
• Low maintenance operation
• Space saving design
• Quiet operation
• Reduced operational costs
.jpg)
SYSTEME QUIPMENT
• Various Product Sizes 150 - 1000 LPH
• Steel frame coated with a special corrosion-resistant, impact-resistant polymer coating
• Multi Stage Stainless steel Grundfos pump
• Low Pressure membranes
• Stainless steel needle regulation valve
• Stainless steel pressure vessels
• Fully equipped electric board with pump protection
• MP controller for quality monitoring with Stainless steel probe
• Stainless steel panel mounted with Glycerin-filled Gauges
• Low Pressure Shutoff
• BB Pre-filter
OPTIONAL FEATURES
• Grundfos DDE antiscalant dosing pumps
• Supply pumps and storage vessels
• Nalco antiscalant
-Equipped with the highest quality components
-Robust construction and easy maintenance
-Modern design and quiet operation
-Built and assembled in EU
BENEFITS
• Improved water quality
• Extended membrane life
• Low maintenance operation
• Space saving design
• Quiet operation
• Reduced operational costs
.jpg)
SYSTEME QUIPMENT
• Various Product Sizes 150 - 1000 LPH
• Steel frame coated with a special corrosion-resistant, impact-resistant polymer coating
• Multi Stage Stainless steel Grundfos pump
• Low Pressure membranes
• Stainless steel needle regulation valve
• Stainless steel pressure vessels
• Fully equipped electric board with pump protection
• MP controller for quality monitoring with Stainless steel probe
• Stainless steel panel mounted with Glycerin-filled Gauges
• Low Pressure Shutoff
• BB Pre-filter
OPTIONAL FEATURES
• Grundfos DDE antiscalant dosing pumps
• Supply pumps and storage vessels
• Nalco antiscalant